Электродвигатель GMR3000-24V (BLDC) с жидкостным охлаждением 3 кВт
GMR3000-24V - бесколлекторный, бесщёточный электродвигатель постоянного тока (BLDC) 3000 Вт с жидкостным охлаждением
Мотор относится к классу вентильных двигателей: бесконтактный двигатель постоянного тока с возбуждением от постоянных магнитов (неодим-железо-бор). Определение положения ротора в любой момент времени обеспечивают 3 датчика Холла (для сенсорных контроллеров управления). Для контроля над перегревом, установлены датчики температуры.
Применение: Электрические автомобили, электрические мотоциклы, электрические трехколесные велосипеды, электрические тележки для гольфа, электрические лодки, и т.д.
Особенности: Компактный дизайн, влагозащищённый. Жидкостное охлаждение.
Для работы мотора от источника постоянного тока требуется контроллер, соответствующей мощности.
Для регулирования скорости вращения вала BLDC-мотора необходима педаль газа, либо ручка газа.
Основное преимущество BLDC-электродвигателей:
- Высокая удельная мощность (кВт/кг), мотор в 5 раз легче, чем щёточный;
- Очень компактные размеры электродвигателя и контроллера к нему, поэтому легко умещаются вместо асинхронных и, тем более, щёточных электродвигателей;
- BLDC имеют высокий КПД (91%): для преодоления расстояния в 100 км требуется батарея меньшей ёмкости, чем для асинхронного двигателя и тем боле для щёточного;
- В момент страгивания мотор выдает 200% мощности, асинхронному это не под силу;
- Не перегреваются (датчик температуры контролирует процесс);
- Экономия стоимости всей системы (двигатель + контроллер + аккумулятор).
- TESLA Model-3 работает уже на ⚡BLDC⚡двигателе на постоянных магнитах. Это последнее слово техники!
Технические характеристики:
Напряжение: 24В
Номинальная мощность: 3 кВт
Пиковая мощность: 8,6 кВт (до 12 ЛС)
Номинальный момент: 10 Н*м
Пиковый момент: 25 Н*м
Потребляемый ток: до 125 А
Частота вращения: 3500 об/мин
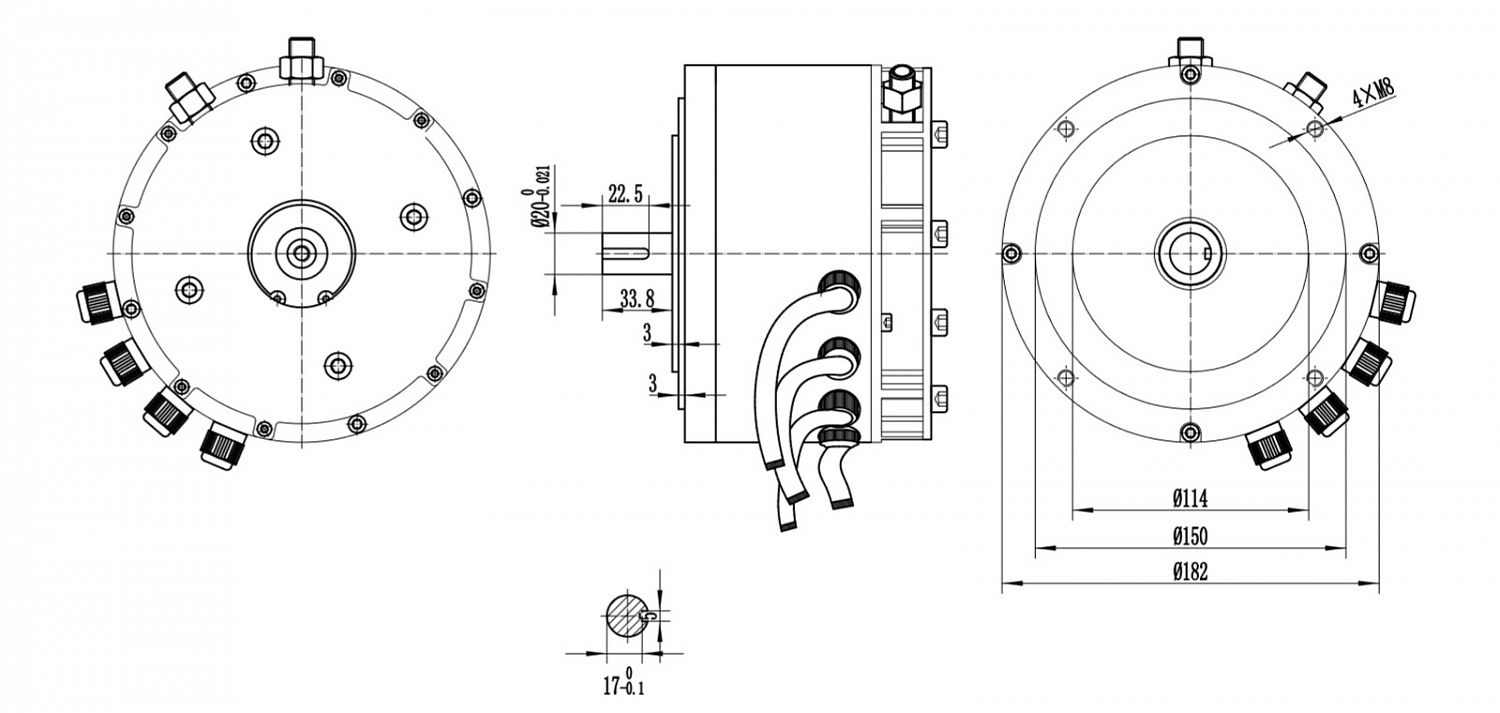
Корпус: Алюминий
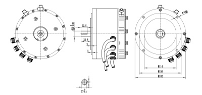
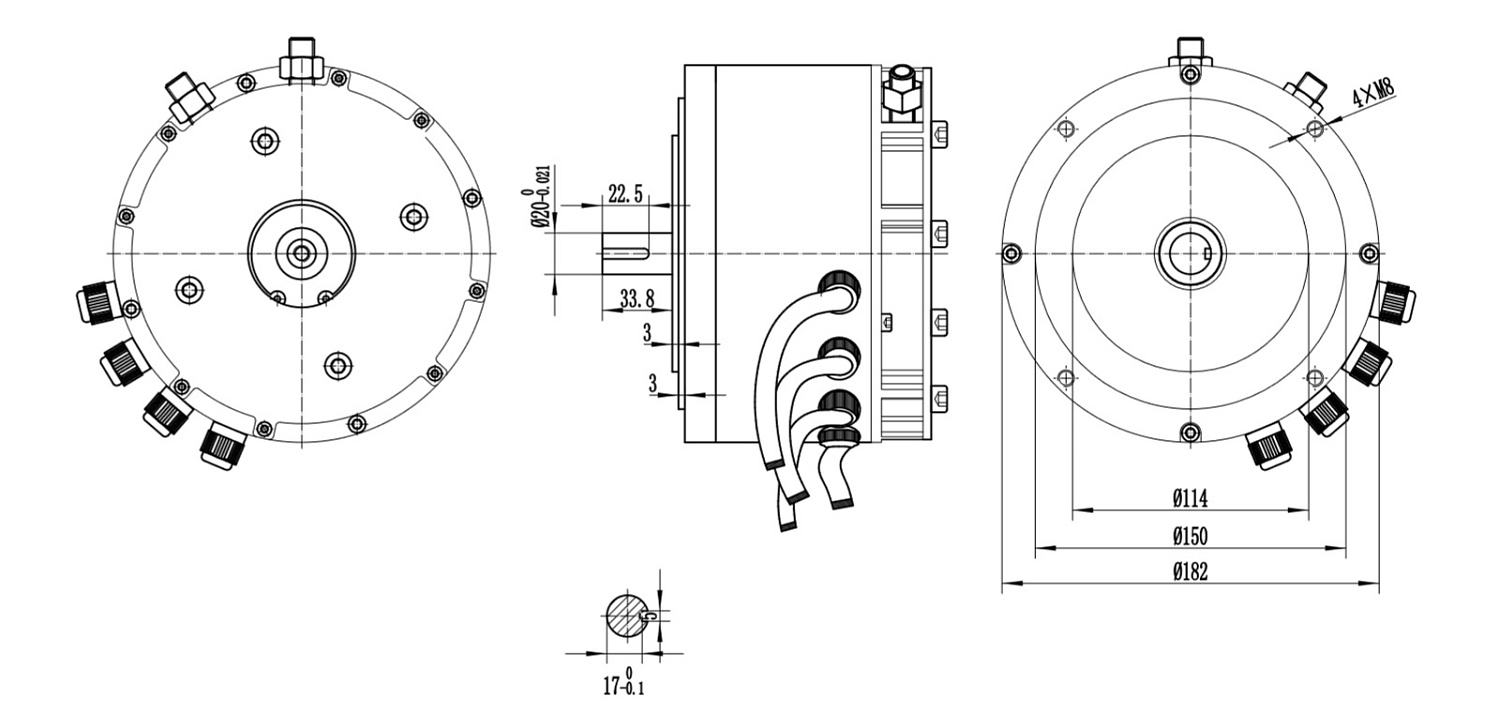
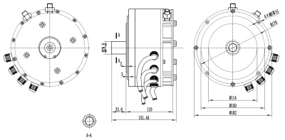
Длина (высота): 125 мм
Диаметр: 180 мм
Диаметр вала: 20 мм
Вес: 8 кг
КПД: 91%
Скачать Чертеж мотора GMR3000-24V с жидкостным охлаждением (со шпоночным пазом).
Скачать Чертеж мотора GMR3000-24V с жидкостным охлаждением (со шлицевым валом).
Прочитать статью: Какое напряжение выбрать для электротранспорта?
Характеристики
|
Производитель
|
Golden Motor |
|
Номинальная мощность, Вт
|
3кВт |
|
Напряжение, В
|
24В |
Фотогалерея
Оформить заказ на нашем сайте легко. Просто добавьте выбранные товары в корзину, а затем перейдите на страницу Корзина, проверьте правильность заказанных позиций и нажмите кнопку «Оформить заказ» или «Быстрый заказ».
Функция «Быстрый заказ» позволяет покупателю не проходить всю процедуру оформления заказа самостоятельно. Вы заполняете форму, и через короткое время вам перезвонит менеджер магазина. Он уточнит все условия заказа, ответит на вопросы, касающиеся качества товара, его особенностей. А также подскажет о вариантах оплаты и доставки.
По результатам звонка, пользователь либо, получив уточнения, самостоятельно оформляет заказ, укомплектовав его необходимыми позициями, либо соглашается на оформление в том виде, в котором есть сейчас. Получает подтверждение на почту или на мобильный телефон и ждёт доставки.
Выберите из списка название вашего региона и населённого пункта. Если вы не нашли свой населённый пункт в списке, выберите значение «Другое местоположение» и впишите название своего населённого пункта в графу «Город». Введите правильный индекс.
В зависимости от места жительства вам предложат варианты доставки. Выберите любой удобный способ.
Оплата
Выберите оптимальный способ оплаты.
Введите данные о себе: ФИО, адрес доставки, номер телефона. В поле «Комментарии к заказу» введите сведения, которые могут пригодиться курьеру, например: подъезды в доме считаются справа налево.
Проверьте правильность ввода информации: позиции заказа, выбор местоположения, данные о покупателе. Нажмите кнопку «Оформить заказ».
Наш сервис запоминает данные о пользователе, информацию о заказе и в следующий раз предложит вам повторить к вводу данные предыдущего заказа. Если условия вам не подходят, выбирайте другие варианты.
Вы можете выбрать один из трёх вариантов оплаты:
При выборе варианта оплаты наличными, вы дожидаетесь приезда курьера и передаёте ему сумму за товар в рублях. Курьер предоставляет товар, который можно осмотреть на предмет повреждений, соответствие указанным условиям. Покупатель подписывает товаросопроводительные документы, вносит денежные средства и получает чек.
Также оплата наличными доступна при самовывозе из магазина, оплаты по почте или использовании постамата.
При оформлении заказа в корзине вы можете выбрать вариант безналичной оплаты. Мы принимаем карты Visa и Master Card. Чтобы оплатить покупку, вас перенаправит на сервер системы ASSIST, где вы должны ввести номер карты, срок действия, имя держателя.
Вам могут отказать от авторизации в случае:
- если ваш банк не поддерживает технологию 3D-Secure;
- на карте недостаточно средств для покупки;
- банк не поддерживает услугу платежей в интернете;
- истекло время ожидания ввода данных;
- в данных была допущена ошибка.
В этом случае вы можете повторить авторизацию через 20 минут, воспользоваться другой картой или обратиться в свой банк для решения вопроса.
Безналичным расчётом можно воспользоваться при курьерской доставке, использовании постамата или самовывоза из магазина.
Для оплаты вы можете воспользоваться одной из электронных платёжных систем:
- PayPal;
- WebMoney;
- Яндекс.Деньги.
Вас перенаправит на страницу платежного сервиса, следуя инструкциям, заполните правильную форму.
Наш интернет-магазин предлагает несколько вариантов доставки:
- курьерская;
- самовывоз из магазина;
- постаматы;
- почта России.
Вы можете заказать доставку товара с помощью курьера, который прибудет по указанному адресу в будние дни и субботу с 9.00 до 19.00. Курьерская служба, после поступления товара на склад, свяжется с вами и предложит выбрать удобное время доставки. Уточнит адрес.
Вы вскрываете упаковку при курьере, осматриваете на целостность и соответствие указанной комплектации. Если речь идёт об одежде, допустима примерка. Время осмотра и примерки ограничено 15 минутами. После вы можете отказаться частично или полностью от покупки.
Доставка бесплатна при заказе от 3000 рублей.
*Действует ли в вашем городе курьерская служба, уточняйте у менеджера магазина.
Вы можете забрать товар в одном из магазинов, сотрудничающих с нами. Список торговых точек, которые принимают заказы от нашей компании появится у вас в корзине. Когда заказ поступит в ваш город, вам придёт уведомление. Вы просто идёте в этот магазин, обращаетесь к сотруднику в кассовой зоне и называете номер заказа. Забрать покупку может ваш друг или родственник, который знает номер и имя, на кого он оформлен.
Постамат – это терминал с автоматизированной системой для хранения заказанных товаров. Удобство в том, что человек может забрать заказ в любое удобное время.
- в момент оформления заказа на сайте, вы выбираете удобный для себя постамат, если такая система работает в вашем городе;
- на ваш телефон или e-mail придет уникальный код, это значит, что товар доставлен в постамат;
- вы приходите к постамату, вводите полученный код и следует инструкциям автомата;
- оплачиваете заказ в терминале постамата;
- забираете товар.
Срок хранения в постамате 3 дня, но можно продлить ещё на аналогичный срок. Чтобы уточнить информацию и продлить время хранения зайдите на сайт нашего партнера, введите номер заказа и телефон и следуйте подсказкам на сайте.
Если в вашем городе не действует курьерская служба и постаматы, то вы можете заказать доставку через почту России. Сразу по прибытии товара, на ваш адрес придет извещение о посылке.
Перед оплатой вы можете оценить состояние коробки (не вскрывая): вес, целостность. Если вам кажется, что заказ не соответствует параметрам или коробка повреждена, попросите сотрудника почты составить акт о вскрытии. Вскрывать коробку самостоятельно вы можете только после того, как оплатили заказ.
Один заказ может содержать не больше 10 позиций и его стоимость не должна превышать 100 тысяч рублей.







